Tampon fileté suivant plan / Tampon fileté spécial

PMS BECUS Métrologie : Spécialiste Métrologie et Contrôle
Calibre de contrôle spécial conçu sur mesure selon les plans et tolérances fournies par le client.

Caractéristiques possibles :

  • Type : tampon fileté simple (ENTRE ou N’ENTRE PAS) ou double (ENTRE + N’ENTRE PAS)
  • Normes applicables : ISO / DIN / ANSI / BS selon spécification client
  • Tolérances : classes usuelles comme 6H, 5H, ou selon plan client
  • Finition : rectification, marquage, éventuel traitement de surface…
  • Diamètres & pas : selon plan client, y compris profils spéciaux (MJ, UN, PG, etc.)
  • Possibilité d’étalonnage (avec certificat) sur demande

 

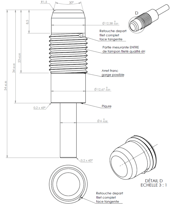
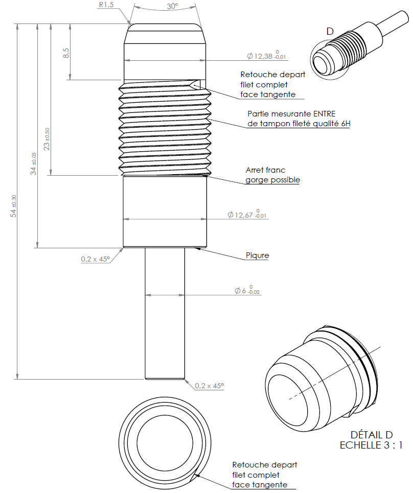
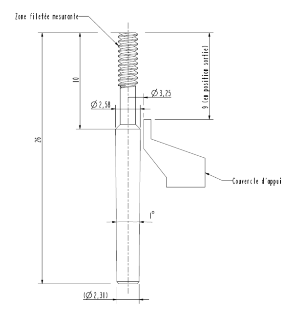
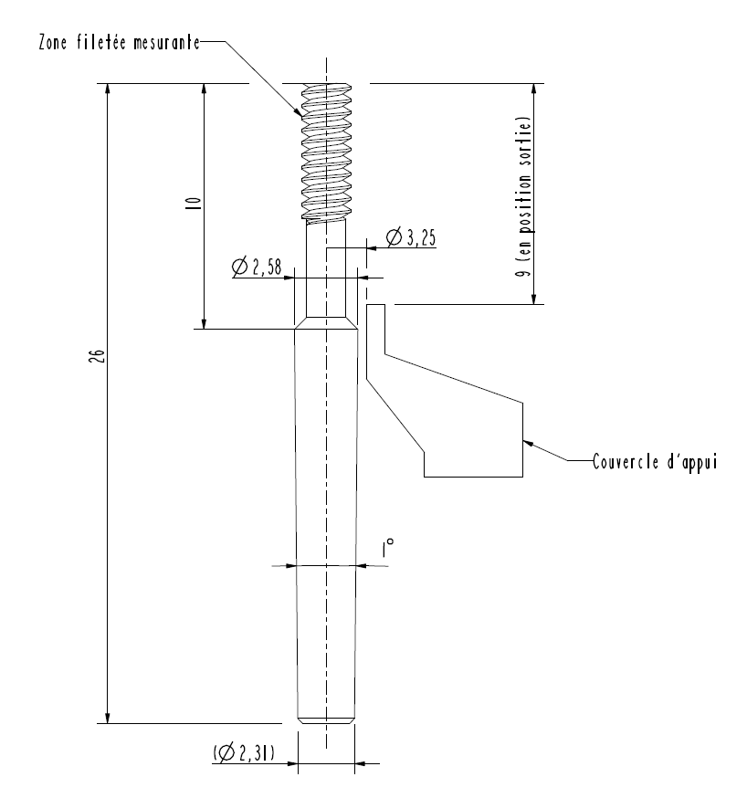
Un plan est soumis en fonction du besoin du client, afin de définir précisément les caractéristiques du tampon fileté à fabriquer.

Applications : ateliers de métrologie, contrôle pièce, réception de série, contrôle qualité. Le tampon fileté spécial permet de valider des filetages internes non standard ou adaptés à des contraintes spécifiques (profil non usuel, tolérance serrée, faible tirant d’air).

 

Ce produit est fabriqué sur devis avec examen du plan en prenant en compte sa complexité ou les tolérances demandées.

Pas d’autres informations complémentaires

Vous aimeriez peut-être

Une question ? On vous rappelle !

Pour toute demande de prix ou sujet plus complexe, il est préférable de passer via le formulaire de contact général.

Demande d'informations produit